国务院
省政府
市政府
移动版
闽政通APP
你好,
注销
登录
注册
网站支持IPV6
首页
政务公开
解读回应
办事服务
互动交流
专题专栏
政府信息公开
机构信息
法律法规规范性文件
工作动态
通知公告
规划计划
统计信息
财政资金和行政收费
行政权力运行
公共资源配置
政策解读
我要办
我要查
我要看
我要评
福州市12345便民服务平台
网上调查
民意征集
搜一下
历史搜索:
热门搜索:
长者模式
退出长者模式
无障碍浏览
当前位置:
首页
政府网站年度报表
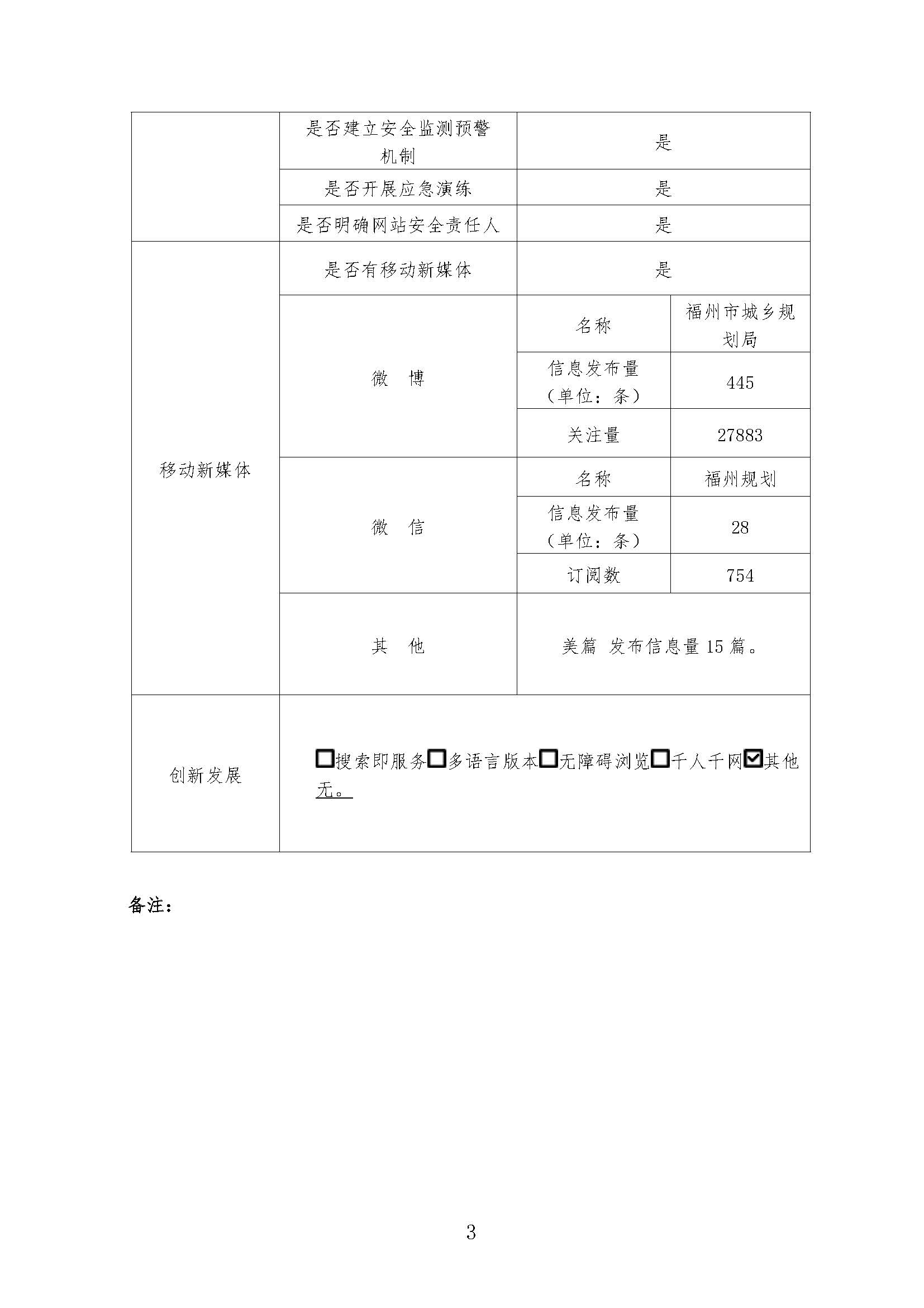
福州市城乡规划局2018年政府网站工作年度报表
时间:2019-01-09 19:43
微信
微博
QQ空间
来源:规划局
附件下载
扫一扫在手机上查看当前页面
关闭
相关解读